Bộ nguồn phụ FS5200P Unipos là nguồn cung cấp năng lượng độc lập cho các thiết bị kết hợp với pin dự phòng và thiết bị sạc.
Thông số kỹ thuật

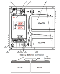
Sơ đồ bộ nguồn phụ FS5200P
=================================================================
★ CÔNG TY CP THƯƠNG MẠI VÀ DỊCH VỤ PCCC HÀ NỘI ★
TƯ VẤN THIẾT KẾ - THẨM DUYỆT - CUNG CẤP THIẾT BỊ - THI CÔNG - NGHIỆM THU PHÒNG CHÁY CHỮA CHÁY
✆ Tư vấn thiết kế & thẩm duyệt, thi công & nghiệm thu hệ thống PCCC : 0989.986.114
✆ Kinh doanh vật tư thiết bị : 0989.865.114
* Website : https://pccchn.vn
* Email : pccchanoi247@gmail.com
Giao hàng trong 24h
Với đơn hàng trên 500.000 đ
Bảo đảm chất lượng
Sản phẩm bảo đảm chất lượng.
Hỗ trợ 24/7
Hotline: 0989 986 114
Sản phẩm chính hãng
Sản phẩm nhập khẩu chính hãng